KĄTOWNIK MONTAŻOWY ŁĄCZNIKI 60x60x50x2,0 KM18
Opis

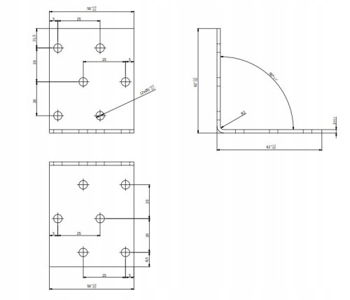
Kątownik montażowy 60x60x50x2
- Model: KM18
- Wymiary: A:60, B:60, C: 50, D: 2mm
- Powłoka: blacha ocynkowana Z275
- Ochrona antykorozyjna
- Nośność: 11,20 kN
- Zapewniają mocne i estetyczne łączenia elementów konstrukcyjnych
- Ilość otworów - 12 otworów ø5mm
- Certyfikat CE-1488
Kątowniki wykonane zostały z blachy stalowej ocynkowanej o grubości 2.0 mm. Ilość otworów sprawia, że za pomocą tych kątowników można zrealizować wiele prostych, jak i bardziej skomplikowanych połączeń.


Zastosowanie: Standardowe kątowniki z uniwersalną perforacją. Ilość umieszczonych w nich otworów sprawia, że za pomocą tych kątowników można zrealizować wiele prostych, jak i skomplikowanych połączeń.
Materiał: DX51D + Z275.
Grubość: 2,0mm.
Mocowanie: Gwoździe pierścieniowe ANCHOR fi 4.


Kątowniki posiadają:
- Europejską Aprobatę Techniczną
- Deklaracja Właściwości Użytkowych
- Certyfikat Zgodności Zakładowej Kontroli Produkcji
Wszystkie oferowane przez nas elementy można bez obaw stosować w budownictwie zgodnie z deklarowanym przeznaczeniem.


