WĄSKI MEBLOWY KĄTOWNIK STOLARSKI 75x75x17x2,0 KW4
Opis

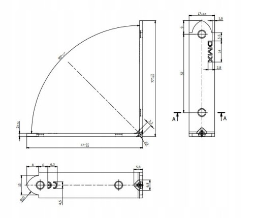
Kątownik 75x75x17
- Model: KW4
- Wymiary: A:75, B:75, C: 17, D: 2mm
- Powłoka: cynk galw. złoty
- Nośność: 3,33 kN
- Zapewniają mocne i estetyczne łączenia elementów konstrukcyjnych
Kątowniki Posiadają certyfikat CE oraz Europejską Ocenę Techniczną
Kątowniki do drobnych prac stolarskich i meblarskich. Ich szerokość sprawia, że można je mocować do wąskich boków desek oraz płyt.



Mocowanie: Gwoździe pierścieniowe ANCHOR fi 4,wkręty ciesielskie do łączników, wkręty hartowane

Na pozostałych aukcjach dostępne są inne rodzaje łączników.
Wszystkie oferowane przez nas łączniki charakteryzuje najwyższa jakość i można je bez obaw stosować w budownictwie. Dokładamy wszelkich starań, aby wyroby dostarczane były bezpieczne i przystosowane do konkretnych zadań.
Kątowniki posiadają:
- Europejską Aprobatę Techniczną
- Deklaracja Właściwości Użytkowych
- Certyfikat Zgodności Zakładowej Kontroli Produkcji
Wszystkie oferowane przez nas elementy można bez obaw stosować w budownictwie zgodnie z deklarowanym przeznaczeniem.




